Nyilvános távközlés

Hívószámkijelzés

Tiltás, tûrés, támogatás

Nagy vihart kavart évekkel ezelôtt, hogy a Pannon GSM bevezette a hívófélazonosítás-szolgáltatást. Hálózatán kívüli használatát &endash; az úgynevezett 'A'-szám kijelzést &endash; határozatban tiltotta meg a Hírközlési Fôfelügyelet. Az elôfizetôk közül pedig sokan a HIF határozatát sérelmezték &endash; hiszen nekik is joguk van tudni, hogy ki zavarja ôket telefonon. Mi a helyzet ma ebben a kérdésben? Milyen jogi és mûszaki feltételei vannak annak, hogy Magyarországon ez a szolgáltatás általános legyen? &endash; érdeklôdtünk dr. Szilágyi Sándortól, a Hírközlési Fôfelügyelet osztályvezetôjétôl.

&endash; Az ISDN-hálózatokban a hívó fél azonosítása elfogadott többletszolgáltatás. Mûszaki feltételeit biztosítják az ISDN telefonközpontok és az ISDN telefonkészülékek is, amelyeknek kijelzôje mutatja a hívó számát. A klasszikus távbeszélô hálózatokban a bevezetésnek mûszaki és jogi nehézsége van. A jogi szabályozás akkor vált szükségessé, amikor a szolgáltatást a nyugat-európai országokban az ISDN-nel együtt bevezették, mert rájöttek, hogy egyes vállalkozások visszaéltek az 'A'-szám (a hívó száma) kijelzéssel. Saját klientúrát próbáltak szervezni a tudomásukra jutott telefonszámok segítségével, akik tiltakoztak ez ellen. A jogi megoldás szerint akkor lehet a hívó számát kijelezni a hívott készülékén, ha a hívó ebbe elôzetesen beleegyezett.

&endash; Miképpen van erre módja az elôfizetônek?

&endash; A beleegyezésnek kétféle módja van. Az egyik egy általános beleegyezés, amikor az elôfizetô írásban hozzájárul, hogy bármiféle hívásnál az ô számát kijelezzék, a másik mód egy egyedi hozzájárulás, amikor az elôfizetô az egyes hívások elôtt hozzájárulhat vagy letilthatja a saját számának a kijelzését. Ezt úgy tekintették, mint a személyiségi jogok részét, amelynek a telefonhálózatban is meg kell valósulnia. Egyrészt lehetôvé kell tenni technikailag az 'A'-szám kijelzését, de ezt a kijelzést függôvé kell tenni a hívó beleegyezésétôl. És bármikor, ha reklamációra kerül sor, dokumentálni lehessen, hogy a hívó beleegyezett-e vagy nem az 'A'-szám kijelzésébe.

&endash; Mi történik rosszindulatú hívások esetén?

&endash; Egy harmadik jogi szabályozás szerint viszont a közérdekû esetekben, így a segélyhívó számok hívásakor mindig szükség van az 'A'-számra, a rendôrség hívásánál, de rosszakaratú hívásoknál is lehet ezt alkalmazni. Döntôen azonban inkább a közérdekû hívásokon van a hangsúly. Ilyen esetben akár hozzájárult a hívó fél, akár nem a száma kijelzéséhez, a számot közölni kell a hívottal.

&endash; Mit kell a magyar hálózatban megváltoztatni, hogy ezek a feltételek teljesüljenek?

&endash; Mûszakilag meg kellett oldani, hogy ez a szolgáltatás az ISDN-hálózatokon kívül a régi távbeszélô-hálózat használata esetén is megvalósulhasson. Megjegyzendô, hogy ma az ISDN elôfizetôk száma mindössze 1-2 százaléka csak a normál elôfizetôk számának, ennek következtében a többség nem rendelkezik olyan készülékkel, amelyik lehetôvé tenné a szám kijelzését. A megoldás két úton lehetséges. Az egyik, hogy ezt hangbemondással helyettesítsük (hiszen például a vakok számára ez az egyetlen lehetôség a szolgáltatás használatára!), a másik út, hogy kijelzôvel rendelkezô készülékeket ajánlunk. Egyidejûleg gondoskodni kell arról, hogy a központok is alkalmasak legyenek az adatok kijelzôkre történô küldésére. Az utóbbi megoldás az igazán korszerû. Ekkor a készülékeknek is van kijelzôjük és egy speciális eljárás segítségével a telefonközpont alkalmas arra, hogy a hívó számát kiküldje a hívott vonalára, még mielôtt az felvenné a kézi beszélôt. Ezzel az Európai Szabványosítási Intézet, az ETSI három vagy négy éve foglalkozik és legutóbb az ATA munkabizottsága kidolgozta a szabványokat egy amerikai eljárást véve alapul, aminek a segítségével ki lehet küldeni még a csengetési szünetekben a hívott vonalára a hívó számát. Természetesen ennek együtt kell járnia az említett jogi elôfeltételekkel.

&endash; Mikor lesznek kaphatók kijelzôs telefonkészülékek a kereskedelmi forgalomban?

&endash; A kijelzéssel is ellátott, intelligens készülékek mellett valószínûleg kis adapterek is fognak kereskedelmi forgalomba kerülni, amiket a készülék elé kapcsolva a kijelzési funkciók megvalósíthatók. Az igény megvan rá. Reményeink szerint 1-2 éven belül a szolgáltatás elindítható. De vannak itt más szabályozandó kérdések is. Jelenleg Magyarországon amíg a hívott nem jelentkezik, úgy tekinti a tarifaszabályozás, hogy nem történt információ-átvitel, tehát díjat sem lehet felszámolni érte. Annak ellenére, hogy annak is van információ-tartalma, ha a hívott nem veszi fel a kézi beszélôt (ez az info kevesebb, ha foglalt a vonala). A szolgáltató a hálózatán az 'A'-szám kijelzésével a hívott részére olyan szolgáltatást nyújt, amelynek az elônyeit a hívott élvezi és a hívott ennek az információnak a birtokában &endash; amelyért ô nem fizet &endash; dönthet úgy, hogy nem veszi fel a telefont vagy felveszi. Várható tehát, hogy az úgynevezett meddôhívások részaránya, ha nem is jelentôsen, de növekedni fog a hálózatban. Ezt a helyére kell tenni mind jogilag, mind tarifálisan. Az 'A'-szám tulajdonosa, a hívó fizet a sikeres kapcsolatért, olyanért is fizet, amibôl hátránya származhat. Bizonyos fejlett hálózatokban vannak olyan törekvések, hogy ezt is díjjal próbálják költséghatékonnyá tenni.

&endash; Mi a teendô versenyhelyzetben, ha hordozhatóak lesznek a hívószámok?

&endash; Meg kell fontolni a hívószámok hordozhatósága szempontjából az 'A'-szám kijelzést. Ha ugyanis hordozható egy hívószám, akkor az sokkal inkább a használó személyét jellemzi, mint a felszerelés helyét. Jelenleg a mûszaki feltételek azt biztosítják, hogy az 'A'-szám kijelzése a felszerelés helyére jellemzô hívószámot mutassa, de a jövôben a hordozható hívószámoknál ennek is változni kell, mert el fog válni egymástól a felszerelés helyét jellemzô szám az illetô személy vagy igénybevevô által használt hívószámtól. A jövô az olyan hálózatoké, amelyek nagyon komoly, nagy teljesítményû adatbázist tartalmaznak, és minden hívás esetén meg kell vizsgálni, hogy a tárcsázott vagy billentyûzött hívószámnak milyen irányítási szám felel meg, illetve az irányítási számnak milyen hívószám felel meg. Az elsô esetet a kapcsolat fölépítésekor kell alkalmazni, a második visszakeresést az A-szám kijelzésekor kell igénybe venni.

(he)

 elôre, vissza, tartalom, honlap


Hívószám-azonosítás

A jövô évezredben

Nem ismeretlen nálunk sem a telefon-hívószám azonosításának szolgáltatása, hiszen a mobilszolgáltatók is alkalmazzák és rendszeres szolgáltatása az ISDN-nek is. Ez emellett meglehetôsen elterjedt egyes nyugati országokban. A Matáv is foglalkozik a témával már huzamosabb ideje, de itt komoly gondot jelent a több mint kétmillió analóg vonal Magyarországon, hiszen ez a szolgáltatás digitális technológia mellett oldható meg könnyen. E lehetôség megteremtésének feltételeirôl tájékoztatott Garami Csongor, a Matáv termékmenedzsment ágazatának osztályvezetôje.

- Valójában mit nyújt ez a szolgáltatás?

- Kijelzi a telefonunkon csöngetéskor, hogy melyik telefonszámról történt a hívás felénk. A Matávnál eddig is volt a hívószám-azonosításra lehetôség, de csak egyéni megrendelésre. Ha ugyanis valakit telefonon zaklatnak, a társaság vállalja a zaklató hívószámának azonosítását, de ez nem rendszeres jellegû szolgáltatás.

- Mi az akadálya annak, hogy a szolgáltatás általánossá váljon a Matávnál?

- Ennek egyelôre mûszaki akadályai vannak. A gond ugyanis az, hogy a Matávnak különbözô telefonközpont-rendszerei vannak és ezek csak más-más program bevezetésével tudnák alkalmazni ezt a funkciót. Ennek érdekében a cégen belül különbözô üzleti tervek készülnek és a tárgyalások is elkezdôdtek már a szoftverfejlesztésrôl partnereinkkel, a különbözô telefonközpont-gyártó cégeinkkel, többek között az elsôdleges szállítóinkkal, az Ericssonnal és a Siemenssel.

- Megcélozták már, hogy kik azok, akik ezt a szolgáltatás igénybe vennék?

- Nemcsak vállalkozóknak, hanem magánembereknek is szól ez a szolgáltatás, hiszen ez egy praktikus, kényelmi szempontból is hasznos dolog. Akihez ugyanis több telefonhívás érkezik, annak este, munka után segít válogatni, hogy a hívások közül kit fogad és kit nem fogad. Készül a tervünk a piaci felmérésre vonatkozólag, de szereztünk tapasztalatokat a külföldi piacról is. Ennek alapján tudjuk, hogy a szolgáltatás széles érdeklôdésre tarthat számot, és hogy jogilag se ütközzön akadályba a bevezetése, ezért hamarosan minden elôfizetôtôl meg fogjuk kérdezni, engedélyezi-e vagy sem telefonszámának a kijelzését. Az ezzel kapcsolatos határozatát az ügyfélnek aláírásával hívatalosan kell dokumentálnia.

- Ez a szolgáltatás új telefonkészülékek beszerzését is szükségessé teszi?

- A hagyományos készülékek ugyan nem alkalmasak a hívószám kijelzésére, de ennek ellenére a szolgáltatás igénybevétele nem igényel nagy beruházást. Egy komplett nagy készülék beruházása helyett mindössze egy kis adapteres kijelzôt kell beszerezni pár ezer forintért és ezt kell a rendes készülékhez csatlakoztatni. A hívószám-kijelzés a Matáv külön szolgáltatása lenne, amire elô lehet fizetni, amennyiben az ügyfél igényli.

- Milyen ütemben tervezik a szolgáltatás elterjesztését?

- Elôször csak egy szûk területen teszteljük le a szolgáltatást, hogy nincs-e olyan mûszaki gond, ami akadályozná általános mûködését, és ha a területi teszt megfelelô, akkor terjesztjük ki országos szolgáltatássá a hívószám-azonosítást. Ehhez egyelôre a Matávnak idôre van szüksége. Egy-egy központ fejlesztése ugyanis elég sok idôt vesz igénybe, ezért várhatóan erre a szolgáltatásra országosan csak a 2000. évet követôen kerül sor.

H. E.

 elôre, vissza, tartalom, honlap


Matáv Pontok multimédia-kedvelôknek

21. századi ügyfélszolgálat

Nem kevesebbet, mint a 21. század igényeinek megfelelô színvonalú kiszolgálás megteremtését tûzte ki maga elé célul a Matáv új bolthálózatának kialakításával. A vállalat teljes termék- és szolgáltatásskálájának kipróbálásán kívül internetezhet is az ezekbe betérô ügyfél.

Egy évvel ezelôtt tették meg az elsô lépéseket azon az úton, melynek eredményeként június végén a Budai Skálában, illetve Gyôr egyik áruházában megnyílhattak az elsô boltok. A kiindulópontot talán az a körülmény jelentette, hogy az ellátott területeken zöld számmal hívható telefonos ügyfélszolgálaton keresztül ma már gyakorlatilag minden elintézhetô az ügyfélszolgálati irodák felkeresése nélkül. Még akkor sem kell a dolog elintézése miatt járkálnia az ügyfélnek, ha például egy új vonalat akar rendelni, hiszen az ehhez szükséges formanyomtatványt elküldik a címére, az illetô kitölti, aláírja és visszaküldi, ezután értesítik, mikor érkezik a szerelô. Az irodák hagyományos funkciója ily módon jelentôsen leszûkült és ez a folyamat folytatódni fog, hiszen a telefonos ügyfélszolgálat idôtartama a tervek szerint napi 24 órára bôvül az év minden napján, illetve ügynökök is megkezdik tevékenységüket, akik az érdeklôdô kérésére házhoz mennek, ott ismertetik a szolgáltatásokat, katalógus alapján készüléket lehet majd rendelni a segítségükkel és a többi.

Megmaradt azonban két olyan lehetôség, amit csak egy irodában-boltban biztosíthat a távközlési szolgáltató. Az egyik a cég teljes termék- és szolgáltatásskálájának „mûködés közbeni" bemutatása. Ha valaki betér egy új Matáv-boltba és egy bizonyos készülék képességeit, hangerejét és a többi meg is akarja tapasztalni, akkor itt erre lehetôsége van: minden berendezés megtekinthetô, megtapintható mûködés közben is. A szolgáltatásokkal ugyanez a helyzet, például a Digifon-csomag minden elemét be tudják mutatni a kiszolgáló hölgyek. A másik speciális lehetôség az, amitôl ezek az irodák már nem is csak boltok, hanem multimédiás pontok. Fél órára 300, egy órára 500 forintért lehet internetezni a helyiségben lévô számítógépeken, és még egy bérleti lehetôség is van: tízszer egy óra így 4000 forintba kerül.

Az új irodákat-boltokat modulokból építik fel. Egy vagy több kiszolgálópultot, bemutatórészt, illetve négy számítógépet magában foglaló Internet-asztalt tartalmaz egy-egy ilyen egység. További újdonság, hogy áruházláncokkal, bevásárlóközpontokkal folytatott együttmûködés keretében az ügyfélszolgálati boltok ezekben találhatók, illetve lesznek találhatók. Nyitva tartásuk ennek megfelelôen a nekik helyet adó áruház nyitva tartásához igazodik. A Skálában lévô után a Duna Plaza következett még júliusban, majd ezt követôen a Széna téri Mammut üzletközpontban, augusztusban adtak át új boltot. A jövô év második feléig még több hasonló nyílik, vidéken a Matáv koncessziós körzeteinek megyeszékhelyein alakítanak ki multimédiás pontokat, számuk végül 20 fölött lesz.

k. s.

 elôre, vissza, tartalom, honlap


Fúzió és konvergencia

Vedd meg és uralkodj?!

Az utóbbi években megszokhattuk, hogy rendszeresen érkeznek hírek sikeres &endash; vagy néha sikertelen &endash; vállalati fúziókról a távközlés világából. A piac globalizálódása fôként a szolgáltatókat késztette arra, hogy nagyobb földrajzi területen, többféle, összetett szolgáltatást tudjanak nyújtani. Ilyen okokból jöttek létre az olyan globális szolgáltatók, mint a Global One vagy a Unisource. Idén júniusban az AT&T 47 milliárd dollárért kebelezte be a Tele-Communications Inc. (TCI) nevû kábeltévé társaságot, mely 33 millió lakást magában foglaló területen mûködik, s több, mint 10 millió elôfizetôvel büszkélkedhet. Az AT&T céljai világosak: a kiterjedt kábelhálózat jó lehetôséget nyújt értéknövelô szolgáltatások nyújtására, melyhez az AT&T gerinchálózati infrastruktúrája adott.

A szolgáltatói fúziók mellett idén új jelenség is megjelent a vállalati világban: a gyártók fúziója. Természetesen itt nem a nagy távközlési cégek egymás közötti felvásárlásairól van szó, hanem távközlési és informatikai cégek egyesülésérôl. A jelenség a konvergencia egyfajta megnyilvánulásának tekinthetô, de hogy egy erôsödô trendrôl van-e szó vagy csak néhány elszórt jelenségrôl, azt a jövô dönti el.

Az elmúlt év utolsó napjaiban a Lucent Technologies több bejelentése nyitotta meg a sort. Elôször 1,8 milliárd dollárért megvásárolták az Octel Communications nevû, hang-, fax- és elektronikus üzenetkezeléssel foglalkozó amerikai székhelyû céget. A cég megvásárlásával a Lucent megerôsítette saját, üzenetkezeléssel foglalkozó divízióját és csak ebbôl a profilból több, mint 1 milliárd dolláros éves forgalomra számítanak. Ugyancsak bejelentették a Livingston Enterprises nevû amerikai informatikai cég megvásárlását. A Livingston világszerte mintegy 2200 Internet szolgáltatót lát el távoli hozzáférést biztosító szerverekkel, irodai és tûzfal routerekkel és egyéb távoli hozzáférést biztosító hálózati applikációkkal. Idén márciusban a Hewlett-Packard LMDS Wireless Business (LMDS= local multipoint distribution service: helyi többpontos elosztórendszer) nevû vezeték nélküli üzletágát vásárolta fel a Lucent. A felvásárolt ágazat eredetileg a HP videokommunikációs divíziójához tartozott, de jelentôs szerepe van a 45 Mbit/s-os vezeték nélküli hozzáférés technológiájának kidolgozásában. Az elôrejelzések szerint csak Amerikában mintegy 8 milliárd dolláros piac nyílik meg az LMDS technológia elôtt a következô tíz évben. Nem sokkal késôbb a Lucent megvette a Yurie Systems névre hallgató, ATM rendszereket gyártó céget is egymilliárdért.

A Lucent felvásárlási lépései jól mutatják, hogy a tendencia az informatikai piacon való megjelenésre irányul, de a fejlesztési eredményekbôl az is kiolvasható, hogy a megvásárolt cégek termékei a távközlô hálózattal közösen jelennek meg az egyes alkalmazásokban. Ez pedig a két terület konvergenciájának a kézzelfogható jele.

Az igazi meglepetést mégsem ezek a bejelentések, hanem a Nortel június 15-i lépése okozta. A kanadai cég nem kevesebb, mint 9,1 milliárd dollárért megvásárolta a hálózati eszközöket gyártó, jó nevû Bay Networks céget, s ezzel az eddigi legnagyobb értékû távközlési-informatikai fúziót mondhatja magáénak. A Bay Networks Ethernet és ATM alapú LAN kapcsolókat, útvonalválasztókat, távoli hozzáférési eszközöket, Internet hozzáférési megoldásokat, IP szolgáltatási és hálózatfelügyeleti rendszereket forgalmaz a cég által kifejlesztett és elterjesztett integrált adaptív hálózati stratégiára építve. (Információink szerint a Lucent is tett lépéseket a Bay Networks megvásárlásáért, azonban a Nortel gyorsabb, és anyagilag nagyvonalúbb volt. A szerk.)

A szakemberek véleménye megoszlik abban a kérdésben, hogy mi volt a felvásárlás valódi oka. Többek szerint a Nortel elkésett az adathálózati alkalmazások fejlesztésével, mert a kilencvenes évek elején még fôként a beszéd kapcsolására alkalmas eszközök fejlesztésével foglalkozott. Az eredmények nem is maradtak el, viszont most a szükségszerû lemaradást igyekszik behozni a nem mindennapi áron történô felvásárlással. Mások szerint viszont a Nortel nincs idôzavarban, hiszen jelentôs fejlesztési eredményei vannak például az ATM területén, azonban ezzel a lépéssel hosszú idôre szeretné eldönteni az elsôség kérdését a konvergálódó piacon.

A pénzügyi világ mindenesetre bizalmatlanul reagált a bejelentés hírére, a Nortel részvényei 68 dollárról 51 dollárra estek vissza, míg a Bay papírjai felfelé indultak el a tôzsdén. A tôzsdei mozgásból úgy tûnik, a konzervatív befektetôk még nem nagyon értették meg Amerikában sem a távközlés és az informatika rohamos közeledését, s ennek mélyreható következményeit. Ôszre talán rendezôdik a helyzet, hiszen a felvásárlás részletei augusztus 28-án tisztázódtak. A Bay Networks tulajdonosai elfogadták azt az ajánlatot, hogy minden egyes Bay Networks részvényükért 0,6 Nortel részvényt kapnak. Ezzel párhuzamosan a Bay részvényei megszûnnek, s a cég teljes egészében a Nortel leányvállalatává válik.

A felvásárlás sikeres lebonyolítását John Roth, a Nortel vezérigazgatója és alelnöke, valamint Dave House, a Bay Networks elnöke egy eddig még soha nem látott méretû, 150 országot átfogó zárt video átviteli rendszeren jelentette be az immár 80 ezer dolgozónak. A video átviteli rendszer gerincét stílszerûen a Nortel által kifejlesztett Passport kerettovábbításos kapcsolórendszerei biztosították, némileg megfricskázva a cég adatátviteli technológiájában kételkedôket. John Roth, a Nortel vezérigazgatója bejelentette, hogy a felvásárlással elsôdleges céljuk a felhasználók igényeinek kielégítése a konvergáló távbeszélô és Internet piacon. Éppen ezért a Nortel a rendelkezésére álló, most már 15 ezer fôs, csomagkapcsolásban jártas szakembergárda ebben az irányban fogja növelni a cég versenyképességét. Roth szerint a felvásárlás célja éppen az volt, hogy ebben a közelgô versenyben a Nortel magasan az elsô helyen legyen.

Mint az eddigiekbôl kitûnik, a felvásárlásokat nem mindenki értékeli elônyösnek, így nem lehet tudni, ez válik-e a fô motorjává az infokommunikációs berendezések megjelenésének vagy a saját fejlesztések fognak dominálni. Mindenesetre a csokorhoz tegyünk hozzá még egy szálat: a Nortel-Bay felvásárlás másnapján az Alcatel bejelentette: az Alcatel Networks System nevû leányvállalata megveszi a texasi székhelyû és szintén jó csengésû névvel bíró DSC Communications céget.

dr. Bartolits István

 elôre, vissza, tartalom, honlap


Nemzetközi szolgáltatók

Global One: két évnyi siker

Ma a távközlési szolgáltatások terén az egyik nyilvánvaló trend a globalitás. Ennek egyik kézzelfogható jele a mûholdas rádiótelefon-szolgáltatást biztosító Iridium rendszer megvalósulása, mellyel jelen számunk külön összeállításban foglalkozik. A globalitás azonban a földi hálózaton szolgáltató távközlési világra is jellemzô. Egyre több szolgáltatói szövetség, új cég alakul, mely nem csak néhány országban, hanem szinte az egész földgolyón egyformán jelen kíván lenni és azonos minôségben kiszolgálni a több földrészre kiterjedô multinacionális vállalatokat, regionális cégeket, de sokszor az alternatívára vágyó átlagfogyasztókat is. Érdemes tudni róluk, hiszen elôbb-utóbb itthon is találkozunk velük valamilyen formában. Ebben kívánunk segítségére lenni az Olvasóknak, mikor két-három havonta igyekszünk bemutatni egy-egy globális szolgáltatót a lap hasábjain.

A globális szolgáltatók közül elsôként a Deutsche Telekom, a France Telecom és az amerikai Sprint által létrehozott Global One-t mutatjuk be. Persze valóban nagy vállalkozásról van szó, hiszen mind a három alapító benne van a világranglista tíz legnagyobb bevételt elért szolgáltatója között, együttes évi bevételük pedig meghaladja a 80 milliárd dollárt.

A három alapító 1995 júniusában írt alá szándéknyilatkozatot a közös cég létrehozására, s a Global One 1996. február 1-jén már meg is kezdte kereskedelmi tevékenységét. A Global One vállalati központja Brüsszelben van, regionális központjai pedig a virginiai Restonban illetve Hong-Kongban. A Global One elsôsorban a multinacionális cégeket tekinti tevékenysége célpontjának, hiszen globális szolgáltatásai révén hatékonyan tud közremûködni a nemzetközi kapcsolatok egységes lebonyolításában. Növekedésére jellemzô, hogy mára már 144 országban érhetôk el valamilyen módon a szolgáltatásai.

A német, francia és amerikai kapcsolókapacitáson kívül több, mint 1400 kapcsolóközpont szolgálja ki a Global One X. 25 csomagkapcsolt hálózatát és több, mint 850 csomópont a kerettovábbításos (frame relay) adatátviteli szolgáltatását. Az X.25-ös nemzetközi szolgáltatás már 58, míg a kerettovábbítás 42 országot fog át. Ugyancsak terjed a Global VPN szolgáltatás (VPN: Virtual Private Network &endash; virtuális magánhálózat), mely már 23 országra terjed ki 37 csomóponttal.

A beszédalapú szolgáltatások alapvetôen telefonkapcsolatot jelentenek, de aszerint vannak kialakítva, hogy milyen üzleti igényeket szolgálnak ki. A Global Call Center szolgáltatás például azt biztosítja, hogy a földrajzilag távol lévô központok is úgy tudják hívni egymást, mintha egyetlen épületben lennének. A Global Freephone azt teszi lehetôvé, hogy mintegy 50 országból díjmentesen érhessék el az ügyfelek a szolgáltatásra elôfizetô cég központját. A Global FinanceLink a világ nagy pénzügyi központjai között biztosít összeköttetést. A FinanceLink különlegessége, hogy tömörítve viszi át a vonalon a beszédinformációt, így egy vonalon egyszerre több beszélgetés is folyhat, csökkentve a kapcsolat költségeit.

Az adatszolgáltatások közül a kerettovábbítás a legdinamikusabban fejlôdô üzletág, de természetesen az X.25 hálózaton folyik még a nagyobb forgalom. Népszerû a Global LAN-to-LAN és a Global ATM szolgáltatás is, melyek még a nagy felfutás elôtt állnak.

Legújabban azonban az IP alapú szolgáltatások kerültek elôtérbe a Global One palettáján. Az ok érthetô: az IDC felmérése szerint a hálózati menedzserek 32 százaléka már túl van a vállalati intranet hálózat telepítésének a kezdeti fázisán, további 48 % pedig két éven belül tervezi ugyanezt. Ennek következtében az Internet és intranet piac igen erôs felfutása várható nemzetközi kapcsolatok terén is. A Yankee Group elôrejelzései szerint ez a piac 2002-re eléri a 20 milliárd dollárt. Éppen ezért 1998. február 3-án a Global One megkezdte a Global Dial IP szolgáltatásának kereskedelmi terítését. Ennek segítségével a cég jó minôségû, biztonságos hozzáférést biztosít a vállalati intranet hálózathoz a TCP/IP protokoll segítségével. A Global IP és a Global Intranet szolgáltatásaival egyébként már a kezdettôl fogva a piacon van a cég. A kerettovábbításos technológiára ültetett IP szolgáltatással mintegy 760 város, köztük Budapest is elérhetô a Global Intranet segítségével.

Gondolt azonban a Global One az egyéni elôfizetôkre és a mini vállalkozásokra is. Számukra háromféle kártya áll rendelkezésre: a Global Calling Card, a Global Prepaid Card és a Global Visaphone. A Calling Card tulajdonosa a világ bármelyik telefonjáról elérheti a Global One hálózatát, a beszélgetés díját a Global One az ügyfél hitelkártyájáról emeli le. A Global One a Visa International, az American Express, a Diners Club International, a Japan Travel Bureau és a Travelex kártyák kibocsátóival áll szerzôdéses kapcsolatban. Elôre fizetett kártyaként mûködik a Global Prepaid Card, mely a befizetett díj mértékéig vehetô igénybe. Végül a Global Visaphone elôfizetôinek a Visa kártyájuk számán kívül csak egy személyi telekód megadására van szükségük arra, hogy bárhonnan telefonálhassanak.

Magyarországról mind a három telefonkártyával lehet telefonálni. A Global One a 00 tárcsázása után a 80 001 877 hívószámon érhetô el. A szám hívása díjmentes (zöld szám), tehát a hívó oldalon nem kell fizetni a felépített kapcsolatért.

A Global One részvényesei

Deutsche Telekom: Európában az elsô, a világon a harmadik legnagyobb szolgáltató. A német piacot dominánsan ellátó Deutsche Telekom elôkelô helyet vívott ki magának az ISDN elterjesztésében is: már több, mint 8 millió csatornát üzemeltet. 1997-es árbevétele 38,6 milliárd dollár volt.

France Telecom: a világ negyedik legnagyobb szolgáltatója. 1,5 millió km optikai kábellel és több, mint 33 millió elôfizetôvel rendelkezik. A France Telecom 1997-es árbevétele 26,5 milliárd dollár volt.

Sprint: Önmagában is egy globális szolgáltató, mely magában integrálja a távolsági, a helyi és a vezeték nélküli kommunikációt a világ több táján. A Sprint üzemelteti Amerikában az egyetlen teljesen digitalizált, kizárólag optikai kábeles hálózatot. A cég több, mint 15 millió elôfizetôt szolgál ki. 1997-es árbevétele 14,9 milliárd dollár.

A részvényesek: A France Telecom és a Deutsche Telekom 10-10 százalékban tulajdonosa a Sprintnek. Ezen kívül a France Telecom és a Deutsche Telekom 50-50 százalékban tulajdonosa az Atlas nevû társaságnak. A Global One „Europa" részlege 66,3 százalékban az Atlas, míg 33,7 százalékban a Sprint tulajdona. A Global One „World" részlege (az Európán kívüli piac) fele-fele arányban az Atlas és a Sprint tulajdona.

dr. Bartolits István

 elôre, vissza, tartalom, honlap


A hírközlés története XXVI.

Építsünk automata központot

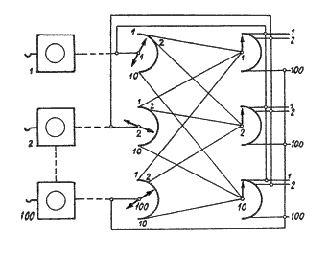
Elôzô számunkban már bemutattuk az elsô fejlettebb automata telefonközpont részegységeit, a Strowger-féle vonalválasztót és az elôkeresôt. Építsünk fel ezekbôl az elemekbôl egy száz vonalas automata központot!

Mint említettük, az elôkeresô arra szolgál, hogy az elôfizetôi vonalat hívás indítása esetén egy szabad vonalválasztóra kapcsolja. Az elôkeresô bevezetésével persze korlátoztuk a telefonközpontban egyszerre beszélgetést folytatók számát, hiszen ha éppen nincs szabad vonalválasztó, akkor új hívást nem lehet kezdeményezni. Ugyanakkor viszont a telefonközpont jóval egyszerûbb, olcsóbb lesz. Gondos forgalmi méretezéssel jól meghatározható, hogy menynyi vonalválasztó szükséges az elôfizetôi forgalom lebonyolításához. A forgalmi kapacitás korlátozott volta ekkor semmilyen gyakorlati problémát nem okoz, az elôfizetôk telefonálási igénye ugyanis statisztikailag általában elosztva jelentkezik a nap folyamán.

Mi most az egyszerûség kedvéért 10 %-os forgalommal számolunk, azaz száz vonalra tíz vonalválasztót tervezünk a központba. Az elôkeresôk mind a tíz vonalválasztót el tudják érni és érzékelik azok szabad vagy foglalt voltát. Ha a hívó felemeli a kézibeszélôt, ezzel zárja a mikrofonáramkört és az elôkeresô ennek hatására elkezd szabad vonalválasztót keresni. Az elôfizetô csak akkor kapja meg a tárcsahangot, ha az elôkeresô talált egy szabad vonalválasztót és felkapcsolta rá az elôfizetô vonalát. Ekkor lehet megkezdeni a tárcsázást. A tárcsaimpulzusok már közvetlenül a vonalválasztót vezérlik, az elsô számjegy impulzusainak hatására a vonalválasztó felemelkedik a megfelelô emeletre, majd a második számjegy hatására a tárcsázott számnak megfelelô ívpontig elfordul. Ebben az állásban már kiderül, szabad vagy foglalt a hívó, szabad esetben megkezdôdhet a hívott fél csengetése, majd a beszélgetés.

100 vonalas Strowger kapcsolóközpont elvi rajza

Ez a rendkívül egyszerû 100 vonalas központ ebben a formában csak arra jó, hogy a 100 elôfizetô egymást hívja fel. A nagyobb városokban azonban már a telefon megjelenése után nem sokkal jóval nagyobb volt az igény. A fenti modellt úgy bôvíthetjük 100 vonal fölé, hogy újabb kapcsológépet, u.n. csoportválasztót használunk. Ennek a kapcsolóelemnek a feladata nem az, hogy egy elôfizetôt kapcsoljon, hanem egy egész elôfizetôi csoportot. Természetesen ekkor már nem elég két számjegyet tárcsázni, hiszen több, mint száz elôfizetôt nem lehet két számjeggyel megkülönböztetni. Ezer elôfizetô megkülönböztetéséhez például három számjegy szükséges. Az elsô számjegy feladata viszont a csoportválasztó vezérlése. A központ úgy épül fel, hogy az elôfizetô vonala az elôkeresô gép után nem a vonalválasztóval, hanem a csoportválasztóval kerül összeköttetésbe. A csoportválasztó az elsô számjegy impulzusainak a hatására függôlegesen választást végez, majd az elfordulásnál már keresést végez a kiválasztott százas elôfizetôi mezô vonalválasztói között. A második és harmadik számjegy már a vonalválasztót vezérli ugyanúgy, mint a legegyszerûbb száz vonalas Strowger-központ esetében.

Ekkora automata berendezések esetében igen fontos kérdés a központ forgalomáteresztô képességének a helyes méretezése. Nem mindegy, hány elôkeresô, csoportválasztó és vonalválasztó jut az ezer elôfizetôre, valamint az sem mindegy, hogy ezek egymással hogy vannak összekötve, hányféle módon érhetôk el. A nagyobb forgalomáteresztô képesség érdekében ezeknél a központoknál az elôkeresôk után még egy újabb elôkeresô fokozatot is be szoktak iktatni, így ugyanis egy adott elôfizetô nem csak a csoportválasztók egy részéhez, hanem bármelyikhez képes felkapcsolódni. Ezzel viszont csökkenthetô a drága csoportválasztók száma.

Építhetünk ezzel a rendszerrel tízezer vonalas központot is ? Miért ne. Ekkor a hívások két elôkeresôn, két csoportválasztón és egy vonalválasztón fognak felépülni. Az elsô számot az 1. csoportválasztó, a másodikat a 2. csoportválasztó fogja felhasználni. Ekkora központot azonban a század elején nem volt még célszerû egy épületben felépíteni, mert legfeljebb néhány száz, esetleg néhány ezer elôfizetô volt beköthetô a központba a néhány kilométeres körzetébôl. A tízezer vonalas központot tehát úgy építették fel, hogy több, földrajzilag távol lévô pontra telepítették a központ fokozatait. Az 1. és a 2. csoportválasztók egy része így több kilométerre került egymástól, s távolsági áramkörökkel, szaknyelven trönkökkel kötötték össze ôket. Ezek a trönkáramkörök feleltek meg a manuális központok átkérô vonalainak.

Mint látható, a Strowger-rendszerû automata központok képesek voltak a nagyvárosok ellátására, azonban éppen a mûködési elvükbôl következôen sok volt a sikertelen hívás. A Strowger rendszernél ugyanis az elôfizetôi készülék tárcsája közvetlenül vezérelte a központ egyes fokozatait. Az elôfizetô egymás után adta be a számjegyeket, s ha a keresô illetve választógépek nem tudtak idôben kapcsolni, akkor az impulzusok a „levegôbe mentek", aminek következtében nem jött létre a kapcsolat. Ez a jelenség a közvetlen vezérlésû központok egyik nagy hátránya. Emellett még az is nehézségeket okozott, hogy a közvetlen vezérlésû hálózatok merevek, rugalmatlanok voltak, bármilyen bôvítés, módosítás óriási mennyiségû huzalozási munkát &endash; és ezzel sok idôt és hibalehetôséget &endash; vont maga után.

dr. Bartolits István

 elôre, vissza, tartalom, honlap


Az IBM EDI megoldása

Kisvállalkozások használjanak WebEDI-t

Egy korábbi számunkban már olvashattak az EDI-rôl, most az IBM által nyújtott lehetôségekrôl szólunk röviden. Emlékeztetôül: az EDI az Electronic Data Interchange (elektronikus adatkommunikáció) rövidítése, amely lehetôvé teszi a szabványos üzleti kommunikációt különbözô informatikai rendszert használó cégek között. Teljesen platformfüggetlen, így bármilyen informatikai rendszerhez csatlakoztatható.

Az IBM a világ egyik legnagyobb EDI szolgáltatója. Különbözô megoldásokat szállít különbözô igényû cégek részére. Korábban az EDI egyik problémája a beruházás mértéke volt. Egy jól mûködô EDI rendszer meglehetôsen nagy anyagi erôforrásokat igényelt, így a kis- és középvállalkozások általában nem engedhették meg maguknak. Emiatt viszont hiába tudott egy nagyvállalat beruházni az EDI-be, ha kisebb partnerei nem tették, ugyanúgy hagyományos módon kellett velük a kapcsolatot tartani.

Ezt a problémát feloldandó jelent meg a WebEDI, amelynek a lényege, hogy az EDI hálózat a web felé nyitott, így bárki &endash; a megfelelô azonosító birtokában &endash; az Interneten keresztül küldhet EDI üzeneteket. Ez a nagyvállalat részérôl valamivel nagyobb beruházást igényel ugyan, de kisebb partnerei minimális befektetéssel, gyakorlatilag egy böngészôprogram segítségével képesek lesznek EDI szabvány szerint kommunikálni.

Az egész megoldás gerincét az Information Exchange képezi, amely az EDI és nem EDI alapú üzeneteket, adatküldéseket kézben tartja. Ezzel mindenkinek hagyományos postaládát lehet létrehozni, ahová minden információ beérkezik. Természetesen a különbözô információk megfelelô fordításáról, illetve konvertálásáról a háttérben dolgozó szoftver, az In-network Translation gondoskodik. A web felé való nyitottságot egy Lotus Domino alapú webszerver nyújtja, a Web application environment szolgáltatás részeként. Ez teszi lehetôvé az ügyfelek részére az EDI használatát a megszokott böngészôjükbôl, akár úgy, hogy tudniuk sem kell róla, hogy ôk most EDI üzenetet küldenek.

Ezt segíti a Forms Exchange is, amely interaktívvá teszi a weboldalakat. Így a partnernek elegendô a böngészôjében megjelenô ûrlap kitöltése, amit a Forms Exchange szoftver nyújt, természetesen az egyedi igényeknek megfelelôen személyre szabva. Az ûrlap kitöltése után a partnernek csak a megfelelô küldés gombra kell kattintani, és a szerver máris fogadja a megadott információt, majd azonnal fordítva továbbküldi a címzettnek.

Mindezek a kívülrôl is látható szolgáltatások mellett az IBM EDI megoldása sok mindent kínál még. Ezek közül csak néhány fontos dolog a folyamatos archiválás, az üzenetek követése, az auditálás lehetôsége és az on-line adminisztráció. Az pedig már csak hab a tortán, hogy hálózata világméretû, így a Földön szinte bárhol, 52 ország 1000 pontján helyi hívással csatlakozhat bárki a hálózathoz és elérheti a saját szerverét.

J. Zs.

 elôre, vissza, tartalom, honlap


Matáv pénzügyek

Erôsen növekvô bevételek

Hat hónapi eredményrôl számolt be augusztusban a Matáv.

A tôzsdéken is jegyzett cég konszolidált (azaz a leányvállalatok adatait is tartalmazó) árbevétele az egy évvel korábbi hasonló idôszak 120,6 milliárdjáról 151,6 millárd forintra nôtt. A nyereség 28 milliárd forint volt, ami az egy évvel korábbi hasonló idôszak értékéhez képest 52 százalékkal nôtt.

Szintén 52 százalékkal nôtt az egy részvényre jutó eredmény, ez 27 forint lett az elsô félév után. A cég eredményeinek fô forrása továbbra is az ügyfélkör és a szolgáltatások jelentôs bôvülése volt. A belföldi távközlési szolgáltatásokból származó bevétel 32 százalékkal nôtt 1997. elsô félévéhez képest.

A Matáv az ISDN fôvonalakkal együtt mintegy 217 ezer új vonalat létesített 1997. júniusa és 1998. júniusa között. Ezzel fôvonalainak száma meghaladta a 2,5 milliót. Szolgáltatási területén a fôvonalsûrûség meghaladta a 33 százalékot, míg a hálózat digitalizáltsága már megközelítette a 75 százalékot. A mobil távközlésbôl származó bevétel 30 százalékkal nôtt az egy évvek korábbi hasonló idôszakhoz képest, míg a rádiótelefon elôfizetôk száma (a Matáv leányvállalatoknál) 539 ezerre nôtt ugyanezen idôszak alatt 401 ezerrôl.

Szintén erôteljesen növekedett az adatkommunikációs szolgáltatásokból származó bevétel is. A bérelt vonali és adatátviteli szolgáltatások bevételei 56 százalékos növekedést értek el az egy évvel korábbihoz képest. Az ISDN fôvonalak száma közel 120 százalékos gyarapodással meghaladta az 50 ezret.

A javuló nyereségességhez az is hozzájárult, hogy az alkalmazotti létszám 9 százalékkal csökkent, így jelenleg mintegy 17500 dolgozót foglalkoztat a cég. A hatékonyság javulását jelzi, hogy az egy vezetékes hálózati alkalmazottra jutó vonalak száma 179-re nôtt. Tovább változott a cég hitelportfóliójának összetétele is. A forinthitelek arányát a 15 milliárd forint értékû kötvénykibocsátással több, mint 40 százalékra növelték a megelôzô idôszak 28,5 százalékával szemben.

Az idei év elsô félévében számos új szolgálatatással rukkolt elô a Matáv. Ezek közé tartozik a hangposta szolgáltatás, a hangposta privát box, a kezelôi konferenciahívás, a távszavazás és egy internet keresôprogram. (Egyetlen szépséghiba, hogy két, már korábbra tervezett szolgáltatás még mindig nem indulhatott el, ezek a hívófél azonosítás bevezetése nemcsak az ISDN elôfizetôk számára, valamint a telefonhálózaton keresztüli vagyonvédelmi rendszer szolgáltatás. A szerkesztô.)

A Matáv új növekedési területeket is keres. Ennek jegyében hat budapesti kerületben megindították kábeltelevíziós szolgáltatásukat, melyet idôvel más területeken is be kívánnak vezetni. A Jász-Tel helyi koncessziós telefontársasággal megállapodást kötöttek annak 95 százalékos tulajdonrésze megvásárlásáról, melyet a cég reményei szerint a Gazdasági Versenyhivatal hamarosan jóváhagy majd. A kártyaelfogadó terminálok hazai vezetô szállítójának, a Cardnetnek is megvásárolták 72 százalékos tulajdonrészét. Ez a tranzakció további termékek, például az inteligens kártyák piacát is megnyitja a vállalat elôtt.

 elôre, vissza, tartalom, honlap